Soundwell Product
New Products
Encoder selection table
Potentiometer selection tabl
Switch selection table
Rotary encoder
Potentiometer
-
Rotary Potentiometer
- RA09 metal shaft series
- RD12 metal shaft series
- RD16 metal shaft series
- RD24 metal shaft series
- RA09 insulated shaft series
- RA11 insulated shaft series
- RA13 metal shaft series
- RA14 insulated shaft series
- RA26 insulated shaft series
- RB12 insulated shaft series
- RB16 insulated shaft series
- RD24 insulated shaft series
- PT10 through shaft series
- PT15 through shaft series
- PT21 through shaft series
- PT26 through shaft series
- RC08 thumb-wheel series
- RC10 thumb-wheel series
- RC15 thumb-wheel series
- QA 39 thumb-wheel series
- QA 48 thumb-wheel series
- RC1003 thumb-wheel series
- RA08 metal shaft series
- RA13 metal shaft series
- SM10001 series
- RJ1606 series
- RA09 insulated shaft potentiometer seri
- SV1004 series
- Hollow shaft potentiometer
- Slide Potentiometer
- Joystick potentiometer
- Motor-driven potentiometer
- Switch potentiometer
- Thumb-wheel potentiometer
- Spain potentiometer
- 360 Degree potentiometer
- Adjustable potentiometer
- RD27 high power potentiometer
Sensor
Rotary switch
Customized module
Knob
Carbon film printing
Soundwell Electronic Products (Guangdong) Co., Ltd.
TEL:+86(769)-38833333-881
Fax:sw@soundwell-cn.com
MAIL:soundwell868@soundwell.cn
Address:Guangdong Province Dongguan city Tangxia Town Phoenix Gang Sheng Wei Industrial Park
|
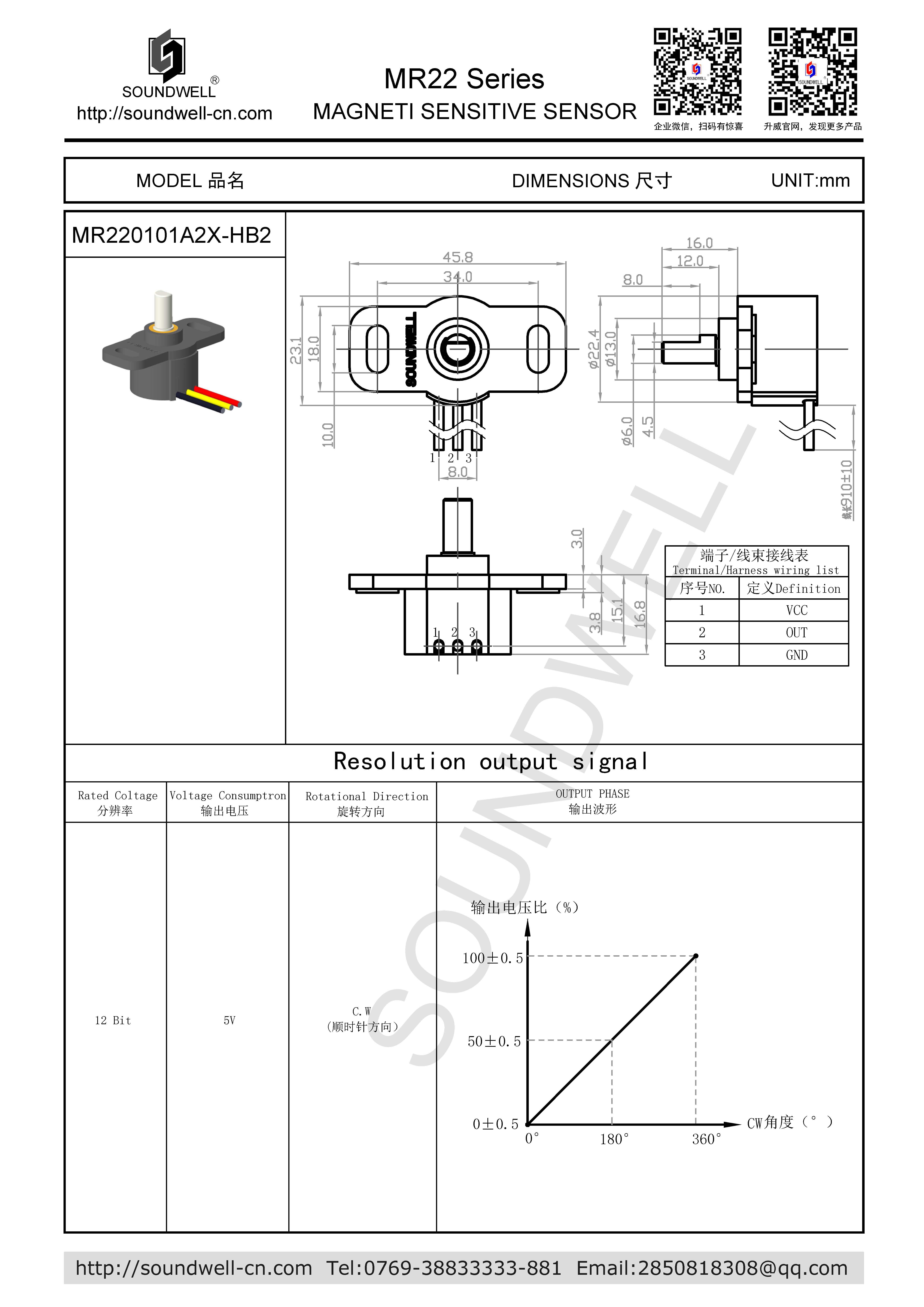
| Potentiometer model: | MR22 series |
| Name: |
MR22 Magnetic Potentiometer |
| Main Specifications: |
Working voltage: 4.5~5.5V; |
| Product Features: |
Long life; |
| Applications: |
Generally used for voltage signal regulation in mobile engineering machinery such as automotive air conditioning, forklifts, shielding doors, barrier gates, and stage lighting. |
ONE、MECHANICAL CHARACTERISTIC
1. Total rotary angle: 360° (Without detent)
2. Rotational torque: 20±15 gf.cm
3. Max. speed: 300 RPM
TWO、ELECTRICAL CHARACTERISTIC
1. Effective electrical angle: 0~360°
2. Resolutions: 4096P/12Bit
3. Voltage Consumptron: 5V
4. Output Signal:Single channel 0~100% Vcc
5. Absolute linear error:±0.5%
6. Output deviation of both ends: ﹤1.5% Vcc
Note: In this catalog, if some parameters or drawings are different from the "Approvalsheet", it's subject to the "Approval sheet".
/uploads/images/MR22%20datasheet.jpg


- Soundwell Electronic Products (Guangdong) Co., Ltd.
Tel:+86 769-38833333-881
Customer service:+86 18219276011
Fax:+86 769-87930111 +86 769-87930222
E-mail:sw@soundwell-cn.com
Headquarters: Shengwei Industrial Park, Fenghuang Gang, Tangxia Town, Dongguan City, Guangdong Province, China




